Clock Domain Crossing (1) [2 Flip-Flop Synchronizer]

2025. 10. 27. 12:25·Hardware/RTL

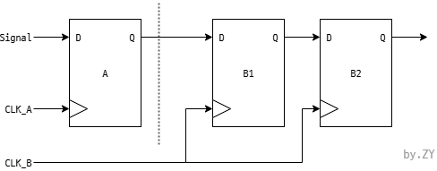
2ff synchronizer diagram
2ff synchronizer wave

 

기본적으로 사용되는 2개의 flip-flop을 연결하여 사용하는 synchronizer

첫번째 FF에서는 metastability가 일어나도 두번째 FF에서는 정상적으로 Capture하는 모습을 보여 자주 사용된다고 한다.

저작자표시 비영리 변경금지 (새창열림)
'Hardware/RTL' 카테고리의 다른 글
  • Clock Domain Crossing (0)
Zi_Yoon
Zi_Yoon
머리 속에 정리하는 곳 <전자공학>
  • Zi_Yoon
    ZY_repo
    Zi_Yoon
  • 전체
    오늘
    어제
    • 분류 전체보기 (73) N
      • Hardware (10) N
        • RTL (2) N
        • RISC-V Project (1)
        • Computer Architecture (0)
        • AMBA (2)
        • FPGA (0)
        • 논문 읽기 (1)
        • ETC. (4)
      • Linux (2)
      • EDA Tool (0)
      • HDLBits (25)
        • Verilog (19)
        • Circuits (4)
        • Verification (0)
      • IDEC 교육 (22)
        • Embedded C (13)
        • Verilog HDL (9)
      • 42서울 (13)
        • 리눅스 (12)
        • 네트워크 (1)
      • 생각 (1)
      • 취업 (0)
  • 블로그 메뉴

    • 홈
    • 태그
  • 링크

  • 공지사항

  • 인기 글

  • 태그

    fucntion
    보안 쉘
    hdlbits
    verilog
    Keil
    비대칭 키
    embedded
    APT
    centos
    AMBA
    pointer
    verilator
    CDC
    signal trap
    Synchronizer
    ssh
    fpga
    QUARTUS
    axi
    debian
    IDEC
    세션 키
    charater
    research rabbit
    bit-wise and
    AXI4
    c
    vm
    tcsh
    ARM
  • 최근 댓글

  • 최근 글

  • hELLO· Designed By정상우.v4.10.1
Zi_Yoon
Clock Domain Crossing (1) [2 Flip-Flop Synchronizer]
상단으로

티스토리툴바